|
| |
| 聯系我們 / CONTACT US |
|
| 河北嘉斯機械配件有限公司 |
| 手機:15930385188 13833801759 |
| 傳真:0318-3408528 |
| 地址:衡水市人民西路南護開發區3號 |
| Q Q:464188009 |
| 郵箱:hbjs@sztp.com |
| 網址:http://m.jingzhoustudio.net |
|
|
| |
|
|
|
|
|
|
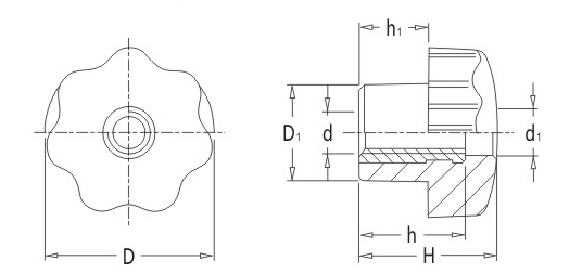
| 塑料星形把手 JS.102011 |
發布日期:2016/4/21 10:43:04 |
| 產品瀏覽:3407
次 |
| 產品分類:把手系列產品
|
| 訂購熱線:15930385188 13833801759 |
 |
|
|
|
| 描述 |
JS.102011 塑料星形把手 顏色:啞光黑 材質:增強尼龍 用途:適用于各類機械裝備、五金工具、舞臺燈光設備等行業 特性:啞光飾面、外形美觀、機械強度高、堅固耐用、標準化使用、安裝簡便


|
|
|
| |
 |
|
|
|